

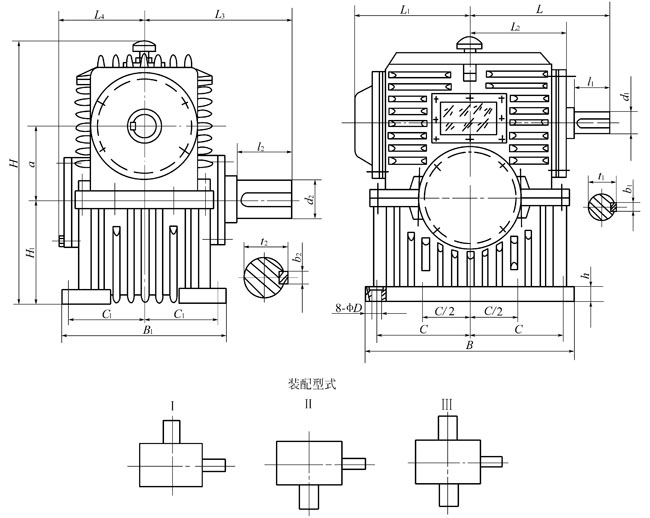
| a | H1 | B | B1 | C | C1 | D | H | L | L1 | L2 | L3 | L4 | L5 | d-1 | b-1 | t1 | l1 | d2 | b2 | t2 | l2 | h |
| 80 | 125 | 250 | 190 | 112 | 80 | 14 | 300 | 160 | 160 | 125 | 180 | 100 | 90 | 25 | 8 | 28 | 42 | 45 | 14 | 48.5 | 82 | 30 |
| 100 | 160 | 300 | 236 | 130 | 100 | 16 | 375 | 200 | 200 | 160 | 212 | 125 | 118 | 32 | 10 | 35 | 58 | 55 | 16 | 59 | 82 | 35 |
| 125 | 180 | 355 | 280 | 160 | 125 | 18 | 425 | 236 | 236 | 190 | 250 | 150 | 140 | 38 | 10 | 41 | 58 | 65 | 18 | 69 | 105 | 38 |
| 140 | 200 | 400 | 315 | 180 | 140 | 20 | 475 | 265 | 265 | 212 | 280 | 160 | 160 | 42 | 12 | 45 | 82 | 70 | 20 | 74.5 | 105 | 40 |
| 160 | 215 | 450 | 355 | 200 | 160 | 21 | 530 | 300 | 300 | 236 | 315 | 190 | 180 | 48 | 14 | 51.5 | 82 | 80 | 22 | 85 | 130 | 42 |
| 180 | 250 | 500 | 400 | 225 | 180 | 22 | 600 | 335 | 335 | 265 | 355 | 212 | 200 | 56 | 16 | 60 | 82 | 90 | 25 | 95 | 130 | 45 |
| 200 | 280 | 560 | 450 | 250 | 200 | 24 | 670 | 355 | 355 | 300 | 400 | 236 | 224 | 60 | 18 | 64 | 105 | 100 | 28 | 106 | 165 | 50 |
| 225 | 315 | 630 | 500 | 280 | 225 | 26 | 750 | 400 | 400 | 315 | 450 | 265 | 250 | 65 | 18 | 69 | 105 | 110 | 28 | 116 | 165 | 53 |
| 250 | 355 | 670 | 530 | 300 | 250 | 28 | 850 | 450 | 450 | 355 | 500 | 280 | 280 | 70 | 20 | 74.5 | 105 | 125 | 32 | 132 | 165 | 57 |
| 280 | 400 | 800 | 600 | 355 | 280 | 30 | 900 | 475 | 475 | 400 | 560 | 315 | 315 | 85 | 22 | 90 | 130 | 140 | 36 | 148 | 200 | 60 |
| 315 | 450 | 900 | 670 | 375 | 315 | 32 | 1000 | 560 | 560 | 450 | 630 | 355 | 355 | 90 | 25 | 95 | 130 | 150 | 36 | 158 | 200 | 67 |
| 355 | 500 | 1000 | 750 | 425 | 355 | 35 | 1180 | 670 | 670 | 500 | 710 | 400 | 400 | 100 | 28 | 106 | 165 | 170 | 40 | 179 | 240 | 75 |

| a | H1 | B | B1 | C | C1 | D | H | L | L1 | L2 | L3 | L4 | d-1 | b-1 | t1 | l1 | d2 | b2 | t2 | l2 | h |
| 400 | 500 | 900 | 800 | 400 | 355 | 35 | 1250 | 600 | 600 | 450 | 630 | 375 | 110 | 28 | 116 | 165 | 180 | 45 | 190 | 240 | 55 |
| 450 | 560 | 1000 | 900 | 450 | 400 | 39 | 1400 | 670 | 670 | 500 | 710 | 425 | 125 | 32 | 132 | 165 | 200 | 45 | 210 | 280 | 60 |
| 500 | 630 | 1120 | 1000 | 500 | 450 | 42 | 1600 | 750 | 750 | 560 | 800 | 475 | 130 | 32 | 137 | 200 | 220 | 50 | 231 | 280 | 65 |
| 560 | 710 | 1250 | 1120 | 560 | 500 | 45 | 1800 | 850 | 850 | 630 | 900 | 530 | 150 | 36 | 158 | 200 | 250 | 56 | 262 | 330 | 72 |
| 630 | 800 | 1400 | 1250 | 630 | 560 | 48 | 2000 | 950 | 950 | 710 | 1000 | 600 | 170 | 40 | 179 | 240 | 280 | 63 | 292 | 380 | 80 |
| 710 | 900 | 1600 | 1400 | 710 | 630 | 52 | 2240 | 1060 | 1060 | 800 | 1250 | 670 | 190 | 45 | 200 | 280 | 320 | 70 | 334 | 380 | 88 |
第一系列 | 80 100 125 160 200 250 315 400 500 630 |
第二系列 | 140 180 225 280 355 450 560 710 |
第一系列 | 10 12.5 16 20 25 31.5 40 50 63 |
第二系列 | 14 18 22.4 28 35.5 45 56 |